
功能特性內置讀碼算法,可高效讀取多種類型的一維碼和二維碼支持圖像拼接功能,可對讀取到的條碼按需進行排序組合輸出選用優秀的Sensor,圖像質量優異,可高速采集圖像數據支持多種觸發模式,可根據應用選擇圖像采集模式IO接口豐富,可接入多路輸入以及輸出信號,支持RS-232串口傳輸協議采用一體化光源設計,自帶36顆LED光源
功能特性
內置讀碼算法,可高效讀取多種類型的一維碼和二維碼
支持圖像拼接功能,可對讀取到的條碼按需進行排序組合輸出
選用優秀的Sensor,圖像質量優異,可高速采集圖像數據
支持多種觸發模式,可根據應用選擇圖像采集模式
IO接口豐富,可接入多路輸入以及輸出信號,支持RS-232串口傳輸協議
采用一體化光源設計,自帶36顆LED光源,集成度高
訂貨型號
MV-ID7080PM-35F-WHA

| 型號 | 型號 | MV-ID7080PM-35F-WHA |
| 名稱 | 8K智能線掃讀碼器 | |
| 性能 | 條碼類別 | 一維碼:Code 39,Code 93,Code 128,CodaBar,EAN等 二維碼:QR,DM等 |
| 最大處理行頻 | 20 kHz | |
| 傳送帶最大運行速度 | 2 m/s | |
| 分辨率 | 8K | |
| 焦距 | 35 mm | |
| 最佳工作距離 | 1000 mm | |
| 視野范圍 | 1200 mm@10 mil | |
| 黑白/彩色 | 黑白 | |
| 通訊協議 | SmartSDK, TCP Client, TCP Server, Serial, FTP | |
| 電氣特性 | 數據接口 | Gigabit Ethernet(1000 Mbit/s) |
| 數字I/O | 10-pin綠色端子提供I/O,包含1路差分輸入(LineIn 0), 1路光耦隔離輸入(LineIn 1), 2路光耦隔離輸出(LineOut 1/2), 1路RS-232 | |
| 供電 | 48 VDC | |
| 最大功耗 | 180 W@48 VDC | |
| 結構 | 鏡頭接口 | F口,法蘭后焦46.5 mm |
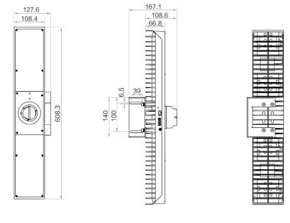
| 外形尺寸 | 608.3 mm × 127.6 mm × 167.1 mm | |
| 重量 | 約5 kg | |
| 溫度 | 工作溫度0 ~ 50°C,儲藏溫度-30 ~ 70°C | |
| 濕度 | 20% ~ 95%RH無冷凝 | |
| 一般規范 | 軟件 | IDMVS |
| 操作系統 | Windows XP/7/10 |